交易价格: 面议
类型: 发明专利
技术成熟度: 正在研发
专利所属地:中国
专利号:CN200920248218.3
交易方式: 完全转让
联系人: 中国科学院大连化学物理研究所
所在地:江苏苏州市
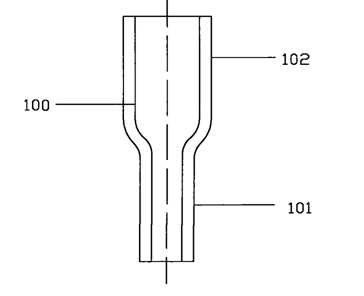
本实用新型涉及一种用于表面热离子化检测器内部导流的新型石英(或玻璃)变径衬管。变径衬管由二段内径不同的圆管连接而成,上部为粗管、下部为细管,变径过程自然平滑过渡。变径衬管的下部内径为0.5~2.5mm,长度为10~100mm。采用这种新型变径衬管后,表面热离子化检测器内没有死体积,而且能避免浓差扩散造成的损失。采用了此变径衬管的表面热离子化检测器对胺和肼及其衍生物检测下限为10-13~10-14g,比采用原有的喇叭口形变径衬管低1~2个数量级,而且检测器内没有死体积,与传统的火焰离子化检测器(FID)相比,样品峰没有明显的峰展宽。

成果推荐 需求推荐 评估专家推荐 评估机构推荐
Copyright © 2018 宁夏回族自治区生产力促进中心 版权所有 宁ICP备11000235号-3 宁公网安备 64010402000776号