交易价格: 面议
类型: 发明专利
技术成熟度: 正在研发
专利所属地:中国
专利号:CN200710158717.9
交易方式: 完全转让
联系人: 中国科学院大连化学物理研究所
所在地:江苏苏州市
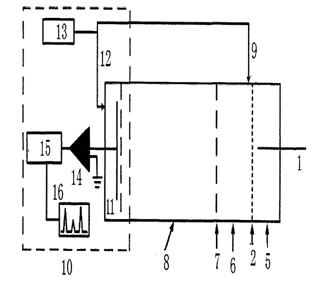
本发明涉及分析仪器中的电离源,具体地说是一种电离源及其在离子迁移谱中的应用,包括直流电源,载气,正、负放电电极,限流电阻,限流电阻和正、负放电电极通过导线与直流电源的正、负电极串联,组成一串联电路;常压下的放电载气通入正、负放电电极间,利用大气压下的辉光放电作为电离源,将其用于离子迁移谱,能够避免使用放射性电离源,提高离子迁移谱的灵敏度,拓宽离子迁移谱测量化合物的范围。

成果推荐 需求推荐 评估专家推荐 评估机构推荐
Copyright © 2018 宁夏回族自治区生产力促进中心 版权所有 宁ICP备11000235号-3 宁公网安备 64010402000776号