交易价格: 面议
类型: 非专利
技术成熟度: 已有样品
交易方式: 完全转让 许可转让 技术入股 完全转让
联系人: 上海交大材料产业工程研究中心
所在地:上海上海市
项目简介:
半固态加工成形技术是一种新的金属精密成形方法,该方法结合了凝固加工和塑性加工的长处,即加工温度比液态低、变形抗力比固态小,可一次大变形量加工成形形状复杂且精度和性能要求较高的零件,非常适合铝合金、镁合金的成形,被认为是21世纪最具有发展前景的精密成形技术之一。半固态成形工艺分为流变成形和触变成形,流变成形是指在得到半固态流变浆料后,直接进行成形加工,工艺流程短,能够显著提高企业的产能,目前已成为国内外研究和应用的热点。
本项目针对铝合金、镁合金半固态流变压铸和半固态流变挤压铸造两种精密成型技术展开,研究了半固态压铸和挤压铸造工艺对成形零件组织和性能的影响规律,获得了不同成分铝合金、镁合金优化的流变成形工艺参数,并自主设计了一套兼具合金熔炼—浆料制备—流变成形功能的半固态成形组合设备,进一步缩短了流变成形工艺流程、降低了生产成本。同时,开发出一种含Ca阻燃镁合金的半固态流变成形技术,采用流变挤压铸造方法成功解决了含Ca镁合金阻燃效果和力学性能之间的矛盾,拓宽了镁合金的应用范围。以上研究成果若得到应用,将产生极大的经济与社会效益。
创新性、先进性:
(1)半固态流变压铸或挤压铸造与传统铸造工艺有较大差别,需要注意的因素包括半固态浆料的温度和固相率、压铸机冲头的压射速率和压力、压铸机压射室温度、挤压铸造压力、模具温度以及模具润滑等。本项目针对ADC12铝合金、AZ91D镁合金等系列商业合金进行了半固态流变压铸、挤压铸造工艺参数优化,建立了流变成形工艺与成形零件组织性能之间的内在关系,进而可以指导生产实践。
(2)半固态流变成形过程中,流变浆料不易输送和保存是制约其广泛应用的主要原因,为此,本项目自主设计了一套集合金熔炼—浆料制备—流变成形功能于一体的组合设备,既缩短了流变成形工艺流程,有效保证了流变浆料质量,又降低了生产成本。
(3)针对镁合金易氧化燃烧的特点,开发出一种含Ca阻燃镁合金的半固态流变成形技术,采用流变挤压铸造方法成功解决了含Ca镁合金阻燃效果和力学性能之间的矛盾,拓宽了镁合金的应用范围。
应用范围:
本项目设计开发的半固态成形一体化组合设备可以用于各类铝合金、镁合金的半固态精密成形。半固态流变压铸和挤压铸造工艺参数的研究结果,对多种商业铝合金、镁合金的半固态流变成形具有指导作用。
经济与社会效益:
与传统的压铸成形相比,半固态流变压铸易于近净成形,可以提高材料利用率,节约材料和能源。另外,可以减少宏观偏析,防止内部缺陷,减少气体夹杂,降低气孔率,提高产品性能,同时由于能减少对模具的热冲击影响,有利于提高模具的寿命。半固态流变压铸在铝合金、镁合金中的应用具有极大的经济效益。
与压铸相比,挤压铸造可同时实现低速充型和高机械压力补缩,吸气少,铸件可热处理,挤压铸造得到的铸件通常具有很好的完整性和更高的机械性能。流变挤压铸造可以看成是流变成形和挤压铸造的结合,同时具有流变成形和挤压铸造的优点,能进一步提高铸件质量。
本项目对半固态流变压铸和流变挤压铸造工艺参数的研究结果,可以指导多种铝合金、镁合金的半固态精密成形生产实践。设计开发的半固态成形一体化组合设备及含Ca阻燃镁合金的半固态流变成形技术,具有巨大的工业应用前景和经济价值。
项目进展现状:
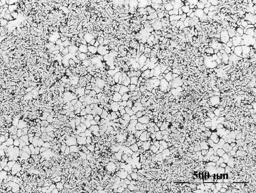
(1)采用滚筒搅拌方法制备了ADC12、A356等多种铝合金半固态浆料,并应用流变压铸技术对其进行半固态成形,研究了半固态浆料的温度和固相率、压铸机冲头的压射速率和压力、压铸机压射室温度以及模具润滑等工艺对成形零件组织与性能的影响,得到了优化的流变压铸参数。流变压铸ADC12铝合金组织见下图1。
(2)采用气体搅拌方法制备了AZ91-2Ca阻燃镁合金半固态浆料,并应用流变挤压铸造对其进行半固态成形,研究了半固态浆料的温度和固相率、挤压铸造压力、模具温度、保压时间等工艺对成形零件组织与性能的影响,得到了优化的流变挤压铸造参数。流变挤压铸AZ91-2Ca镁合金组织见下图2。
(3)设计并制造了一套集合金熔炼—浆料制备—流变成形功能于一体的组合设备,并进行了初步生产试验。
自主产权情况:
本项目自主设计了一套半固态成形一体化组合设备,并开发了一种含Ca阻燃镁合金的半固态流变成形技术,取得成果正在申请专利。
项目相关照片:
图1 ADC12合金半固态流变压铸组织

图2 AZ91-2Ca合金半固态流变挤压铸造组织

项目合作要求:
希望与从事镁合金、铝合金加工领域有实力的企业以产品研发、技术支持或技术转让方式合作。
Copyright © 2018 宁夏回族自治区生产力促进中心 版权所有 宁ICP备11000235号-3 宁公网安备 64010402000776号